Razvodna kutija KF 0600 G
1.281,49рсд – 2.212,50рсдRaspon cena: od 1.281,49рсд do 2.212,50рсд
Kablovska razvodna kutija KF 0600 G je pogodana za nezaštićenu instalaciju na otvorenom prostoru. KF 0600 G se isporučuje sa perforacijama na bočnim stranama, koje mogu da se uklone radi instalacija kablovskih uvodnika. Zatvaranje poklopca je omogućeno bez dodatnog alata. Kutija se isporučuje sa vrpcom za držanje poklopca i spoljnim konzolama za kačenje na zid.
Kablovska razvodna kutija KF 0600 G je pogodana za nezaštićenu instalaciju na otvorenom prostoru shodno DIN VDE 0100. Otporne su na UV zračenje, vremenske uticaje, visoke temperature i slanu vodu. Stepen zaštite kutije je IP 66, IP 67 , IP 69 u zavisnosti od dogradnih uvodnica koje se instaliraju.
Kablovska razvodna kutija KF 0600 G izrađuje se u 3 varijante:
- KF 0600 G : Polikarbonat, 130x130x77mm, bez stezaljki, boja siva, RAL 7035
- KF 0604 G : Polikarbonat, 130x130x77mm, stezaljke 5P 1.5-4mm², boja siva, RAL 7035
- KF 0606 G : Polikarbonat, 130x130x77mm, stezaljke 5P 1.5-6mm², boja siva, RAL 7035
Razvodne kutije KF 0600 G se isporučuju sa perforacijama na bočnim stranama, koje mogu da se uklone radi instalacija kablovskih uvodnika tipa M20, M25 ili M32. Kod razvodnih kutija KF 0600 G zatvaranje poklopca je omogućeno bez dodatnog alata. Kutija se isporučuje sa vrpcom za držanje poklopca i spoljnim konzolama za kačenje na zid.
| Nominalni izolacioni napon | KF 0600 G Ui = 1000 V AC/DC KF 0602 G Ui = 690 V AC/DC KF 0604 G Ui = 690 V AC/DC |
| Nominalna struja | KF 0600 G – neodređeno KF 0604 G – 32A KF 0606 G – 40A |
| Materijal | PC-GFS (Polikarbonat) |
| IP klasa | IP 66/67/69 |
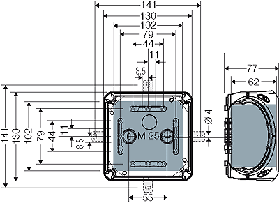
| Ugradne dimenzije | 102x102x62 mm |
| Spoljne dimenzije | 130x130x77 mm |
| Redne stezaljke | KF 0600 G – Bez stezaljki KF 0604 G – 5p 1.5-4mm² KF 0606 G – 5p 1.5-6mm² |
| Temperatura okoline | -25°C do +70°C |
| Test užarene žice | 960 °C, Teško zapaljivo, samogasivo |
| IK klasa | IK09 (10 džula) |
| Toksični uticaj | Bez halogena, bez silikona |
| Težina | KF 0600 G – 0,215 kg KF 0604 G – 0,226 kg KF 0606 G – 0,254 kg |
| Sertifikat | IEC 60670-22, VDE, DNV GL |
| Posebne izvedbe | UV otporno, otporno na temperaturu, zaštićeno od kiše, otporno na slanu vodu |
| Vrsta proizvoda | Razvodna kutija |
| Model | KF 0600 G, KF 0604 G, KF 0606 G |
| Zemlja porekla | Nemačka |
| Zemlja uvoza | Mađarska |
| Proizvođač | HENSEL |
-
Razvodne kutije
Razvodna kutija DK 0400 R
1.215,92рсд – 1.739,35рсдRaspon cena: od 1.215,92рсд do 1.739,35рсд -
Razvodne kutije
Razvodna kutija DK 0200 R
815,26рсд – 1.526,28рсдRaspon cena: od 815,26рсд do 1.526,28рсд -
Razvodne kutije
Razvodna kutija DK 1000 B
1.241,75рсд – 2.703,81рсдRaspon cena: od 1.241,75рсд do 2.703,81рсд -
Razvodne kutije
Razvodna kutija KF 1600 G
2.831,34рсд – 3.702,10рсдRaspon cena: od 2.831,34рсд do 3.702,10рсд -
Razvodne kutije
Razvodna kutija KF 0200 G
690,04рсд – 1.599,13рсдRaspon cena: od 690,04рсд do 1.599,13рсд -
Razvodne kutije
Razvodna kutija DK 3500 G
4.675,34рсд – 20.925,33рсдRaspon cena: od 4.675,34рсд do 20.925,33рсд -
Razvodne kutije
Razvodna kutija DK 0400 G
602,17рсд – 1.452,17рсдRaspon cena: od 602,17рсд do 1.452,17рсд -
Razvodne kutije
Razvodna kutija DK 2500 G
3.532,06рсд – 11.962,70рсдRaspon cena: od 3.532,06рсд do 11.962,70рсд
Kablovska razvodna kutija KF 0600 G je pogodana za nezaštićenu instalaciju na otvorenom prostoru shodno DIN VDE 0100. Otporne su na UV zračenje, vremenske uticaje, visoke temperature i slanu vodu. Stepen zaštite kutije je IP 66, IP 67 , IP 69 u zavisnosti od dogradnih uvodnica koje se instaliraju.
Kablovska razvodna kutija KF 0600 G izrađuje se u 3 varijante:
- KF 0600 G : Polikarbonat, 130x130x77mm, bez stezaljki, boja siva, RAL 7035
- KF 0604 G : Polikarbonat, 130x130x77mm, stezaljke 5P 1.5-4mm², boja siva, RAL 7035
- KF 0606 G : Polikarbonat, 130x130x77mm, stezaljke 5P 1.5-6mm², boja siva, RAL 7035
Razvodne kutije KF 0600 G se isporučuju sa perforacijama na bočnim stranama, koje mogu da se uklone radi instalacija kablovskih uvodnika tipa M20, M25 ili M32. Kod razvodnih kutija KF 0600 G zatvaranje poklopca je omogućeno bez dodatnog alata. Kutija se isporučuje sa vrpcom za držanje poklopca i spoljnim konzolama za kačenje na zid.
| Nominalni izolacioni napon | KF 0600 G Ui = 1000 V AC/DC KF 0602 G Ui = 690 V AC/DC KF 0604 G Ui = 690 V AC/DC |
| Nominalna struja | KF 0600 G – neodređeno KF 0604 G – 32A KF 0606 G – 40A |
| Materijal | PC-GFS (Polikarbonat) |
| IP klasa | IP 66/67/69 |
| Ugradne dimenzije | 102x102x62 mm |
| Spoljne dimenzije | 130x130x77 mm |
| Redne stezaljke | KF 0600 G – Bez stezaljki KF 0604 G – 5p 1.5-4mm² KF 0606 G – 5p 1.5-6mm² |
| Temperatura okoline | -25°C do +70°C |
| Test užarene žice | 960 °C, Teško zapaljivo, samogasivo |
| IK klasa | IK09 (10 džula) |
| Toksični uticaj | Bez halogena, bez silikona |
| Težina | KF 0600 G – 0,215 kg KF 0604 G – 0,226 kg KF 0606 G – 0,254 kg |
| Sertifikat | IEC 60670-22, VDE, DNV GL |
| Posebne izvedbe | UV otporno, otporno na temperaturu, zaštićeno od kiše, otporno na slanu vodu |
| Vrsta proizvoda | Razvodna kutija |
| Model | KF 0600 G, KF 0604 G, KF 0606 G |
| Zemlja porekla | Nemačka |
| Zemlja uvoza | Mađarska |
| Proizvođač | HENSEL |
Povezani proizvodi
-
Razvodne kutije
Razvodna kutija 1094-01
5.253,40рсд – 52.534,00рсдRaspon cena: od 5.253,40рсд do 52.534,00рсд -
Razvodne kutije
Razvodna kutija 1095-01
5.579,00рсд – 55.790,00рсдRaspon cena: od 5.579,00рсд do 55.790,00рсд -
Razvodne kutije
Razvodna kutija 1096-01
1.631,23рсд – 48.937,00рсдRaspon cena: od 1.631,23рсд do 48.937,00рсд -
Razvodne kutije
Razvodna kutija 1097-92
3.272,38рсд – 32.724,00рсдRaspon cena: od 3.272,38рсд do 32.724,00рсд -
Instalacioni materijal
Razvodna kutija 200
1.423,10рсд – 14.231,00рсдRaspon cena: od 1.423,10рсд do 14.231,00рсд -
Instalacioni materijal
Razvodna kutija 250
1.260,20рсд – 1.387,70рсдRaspon cena: od 1.260,20рсд do 1.387,70рсд -
Instalacioni materijal
Razvodna kutija 252
1.784,20рсд – 1.911,60рсдRaspon cena: od 1.784,20рсд do 1.911,60рсд -
Instalacioni materijal
Razvodna kutija 254
2.010,70рсд – 2.180,60рсдRaspon cena: od 2.010,70рсд do 2.180,60рсд -
Instalacioni materijal
Razvodna kutija 256
2.563,00рсд – 2.789,50рсдRaspon cena: od 2.563,00рсд do 2.789,50рсд -
Razvodne kutije
Razvodna kutija THA.209.A1A
1.223,42рсд – 1.450,27рсдRaspon cena: od 1.223,42рсд do 1.450,27рсд







































