Razvodna kutija KF 0600 B
1.281,49рсд – 2.212,50рсдRaspon cena: od 1.281,49рсд do 2.212,50рсд
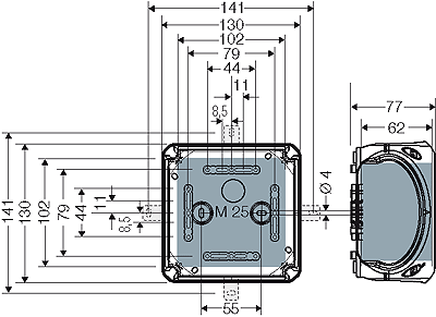
Kablovska razvodna kutija KF 0600 B je pogodana za nezaštićenu instalaciju na otvorenom prostoru. KF 0600 B se isporučuje sa perforacijama na bočnim stranama, koje mogu da se uklone radi instalacija kablovskih uvodnika. Zatvaranje poklopca je omogućeno bez dodatnog alata. Kutija se isporučuje sa vrpcom za držanje poklopca i spoljnim konzolama za kačenje na zid.
Kablovska razvodna kutija KF 0600 B je pogodana za nezaštićenu instalaciju na otvorenom prostoru shodno DIN VDE 0100. Otporne su na UV zračenje, vremenske uticaje, visoke temperature i slanu vodu. Stepen zaštite kutije je IP 66 ili IP 67 u zavisnosti od dogradnih uvodnika koji se instaliraju.
Kablovska razvodna kutija KF 0600 B izrađuje se u 3 varijante:
- KF 0600 B : Polikarbonat,130x130x77 mm, bez stezaljki, boja crna, RAL 9011
- KF 0604 B : Polikarbonat, 130x130x77 mm, stezaljke 5P 1.5-4mm², boja crna, RAL 9011
- KF 0606 B : Polikarbonat, 130x130x77 mm, stezaljke 5P 1.5-6mm², boja crna, RAL 9011
Razvodne kutije KF 0600 B se isporučuju sa perforacijama na bočnim stranama, koje mogu da se uklone radi instalacija kablovskih uvodnika tipa M20, M25 ili M32. Kod razvodnih kutija KF 0600 B zatvaranje poklopca je omogućeno bez dodatnog alata. Kutija se isporučuje sa vrpcom za držanje poklopca i spoljnim konzolama za kačenje na zid.
| Nominalni izolacioni napon | KF 0600 B Ui = 1000 V AC/DC KF 0602 B Ui = 690 V AC/DC KF 0604 B Ui = 690 V AC/DC |
| Nominalna struja | KF 0600 B – neodređeno KF 0604 B – 32A KF 0606 B – 40A |
| Materijal | PC-GFS (Polikarbonat) |
| IP klasa | IP 66/67 |
| Ugradne dimenzije | 102x102x62 mm |
| Spoljne dimenzije | 130x130x77 mm |
| Redne stezaljke | KF 0600 B – Bez stezaljki KF 0604 B – 5p 1.5-4mm² KF 0606 B – 5p 1.5-6mm² |
| Temperatura okoline | -25°C do +70°C |
| Test užarene žice | 960 °C, Teško zapaljivo, samogasivo |
| IK klasa | IK09 (10 džula) |
| Toksični uticaj | Bez halogena, bez silikona |
| Težina | KF 0600 B – 0,187 kg KF 0604 B – 0,227 kg KF 0606 B – 0,253 kg |
| Sertifikat | IEC 60670-22, VDE, DNV GL |
| Posebne izvedbe | UV otporno, otporno na temperaturu, zaštićeno od kiše, otporno na slanu vodu |
| Vrsta proizvoda | Razvodna kutija |
| Model | KF 0600 B, KF 0604 B, KF 0606 B |
| Zemlja porekla | Nemačka |
| Zemlja uvoza | Mađarska |
| Proizvođač | HENSEL |
-
Razvodne kutije
Razvodna kutija KF 0600 G
1.281,49рсд – 2.212,50рсдRaspon cena: od 1.281,49рсд do 2.212,50рсд -
Razvodne kutije
Razvodna kutija DK 3500 G
4.675,34рсд – 20.925,33рсдRaspon cena: od 4.675,34рсд do 20.925,33рсд -
Razvodne kutije
Razvodna kutija DK 0600 B
922,13рсд – 2.000,01рсдRaspon cena: od 922,13рсд do 2.000,01рсд -
Razvodne kutije
Razvodna kutija TH 200
485,55рсд – 1.615,94рсдRaspon cena: od 485,55рсд do 1.615,94рсд -
Razvodne kutije
Razvodna kutija DK 0400 B
1.215,92рсд – 1.739,35рсдRaspon cena: od 1.215,92рсд do 1.739,35рсд -
Razvodne kutije
Razvodna kutija TH 210
1.546,27рсдOriginalna cena je bila: 1.546,27рсд.1.391,64рсдTrenutna cena je: 1.391,64рсд. -
Razvodne kutije
Razvodna kutija DK 0600 R
1.500,00рсд – 1.700,32рсдRaspon cena: od 1.500,00рсд do 1.700,32рсд -
Razvodne kutije
Razvodna kutija DK 2500 G
3.532,06рсд – 11.962,70рсдRaspon cena: od 3.532,06рсд do 11.962,70рсд
Povezani proizvodi
-
Razvodne kutije
Razvodna kutija THA.209.A1A
1.223,42рсд – 1.450,27рсдRaspon cena: od 1.223,42рсд do 1.450,27рсд







































