Razvodni orman KV 3554

30.040,44рсд

Maksimalni kapacitet: 54 modula (3 reda po 18).
IP54 Zaštita: Potpuna zaštita od prašine i prskanja vode.
FIXCONNECT: Masivne sabirnice (40 priključaka po polu).
Fleksibilnost: Podela na 4 N-potencijala (za više FID sklopki).
Hibridni uvod: Membrane + M20 otvori za teške kablove.

- +
SKU 101-H01-130 Kategorije , Tag Brend:

Hensel KV 3554 – Centralno rešenje za velike objekte (54 modula)

Hensel KV 3554 je nadgradni razvodni orman impresivnog kapaciteta od 54 modula, raspoređenih u tri široka reda (3×18). Ovaj model je dizajniran da služi kao glavna razvodna tabla u velikim stambenim kućama, poslovnim prostorima ili industrijskim pogonima gde je potrebno centralizovati veliki broj osigurača i automatike.

Zahvaljujući širini od 18 modula po redu, omogućava logično grupisanje potrošača i laku ugradnju širih uređaja, dok IP54 zaštita garantuje dugovečnost opreme čak i u tehničkim prostorijama, podrumima ili garažama.


Sistem za kompleksna ožičenja (FIXCONNECT®)

Kod ovako velikih tabli, upravljanje nultim provodnicima je ključno. Hensel KV 3554 nudi vrhunsko rešenje:

  • Masivni kapacitet klema: Opremljen je sabirnicama koje nude neverovatnih 32 utična (push-in) i 8 vijčanih mesta po polu. To znači da možete povezati do 40 nultih i 40 zaštitnih provodnika direktno na sabirnicu.
  • Podrška za 4 FID sklopke: N-sabirnica je deljiva i omogućava kreiranje do 4 odvojena N-potencijala. Ovo je neophodno za moderne instalacije sa više zaštitnih uređaja diferencijalne struje.

Fleksibilnost i komfor u radu

  • Hibridni uvodi: Poseduje integrisane elastične membrane za brz uvod standardnih kablova, ali i M20 otvore (knockouts) koji se mogu izbiti za montažu čvrstih uvodnica kod debljih napojnih kablova.
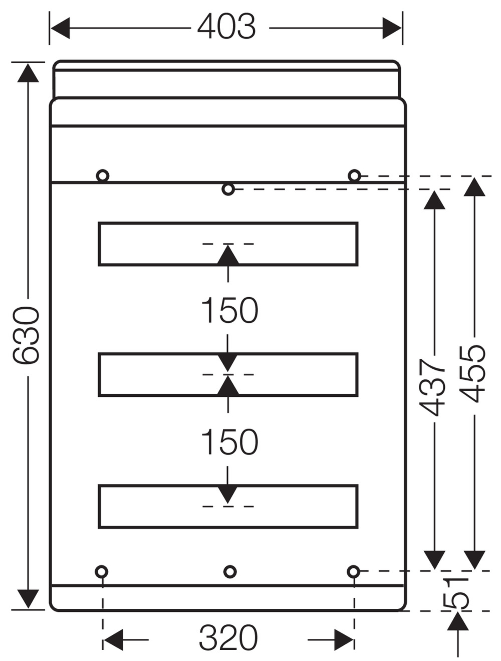
  • Veliki prostor: Razmak između DIN šina je 150mm, što ostavlja ogroman prostor za manipulaciju žicama između redova.
  • Bezbednost: Halogen-free materijal, samogasiv (750°C) i otporan na udarce.
Sadržaj pakovanja:
Orman sa prozirnim vratima, 3x DIN šine (širine 18 modula), FIXCONNECT set klema, trake za obeležavanje, poklopci za neiskorišćene module, set membrana i pribor za montažu.
Proizvođač Hensel
Model KV 3554
Broj modula 54 (3 reda x 18)
Dimenzije (V x Š x D) 630 x 403 x 129 mm
IP Stepen zaštite IP54
Kablovski uvodi 21x Membrane + 8x M20 (izbijanje)
Nominalni napon 400 V AC
PE/N Kleme 32x utičnih + 8x vijčana (po polu)
N-potencijali Do 4 odvojena potencijala
Materijal Polistiren (Halogen Free)
Vrsta proizvoda Razvodni orman (54 modula)
Model KV 3554
Zemlja porekla Nemačka
Proizvođač Gustav Hensel GmbH & Co. KG
Korpa