Razvodni orman KV 2536
20.141,18рсд
→ Veliki kapacitet: 36 modula (2 reda po 18).
→ IP54 Zaštita: Robusno kućište otporno na vlagu i prašinu.
→ FIXCONNECT: Ogroman broj priključaka (32 utična + 8 vijčanih po polu).
→ Fleksibilnost: Podeljiva N-sabirnica (do 4 potencijala za različite FID sklopke).
→ Hibridni uvod: Membrane + M20 otvori za izbijanje.
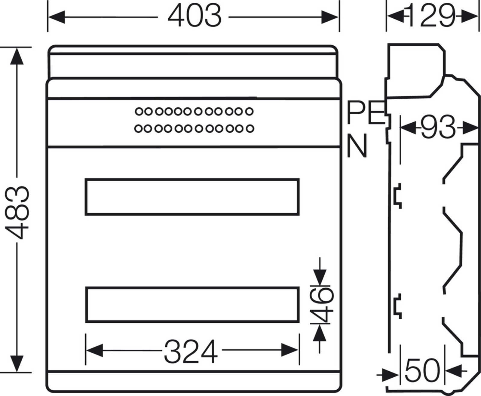
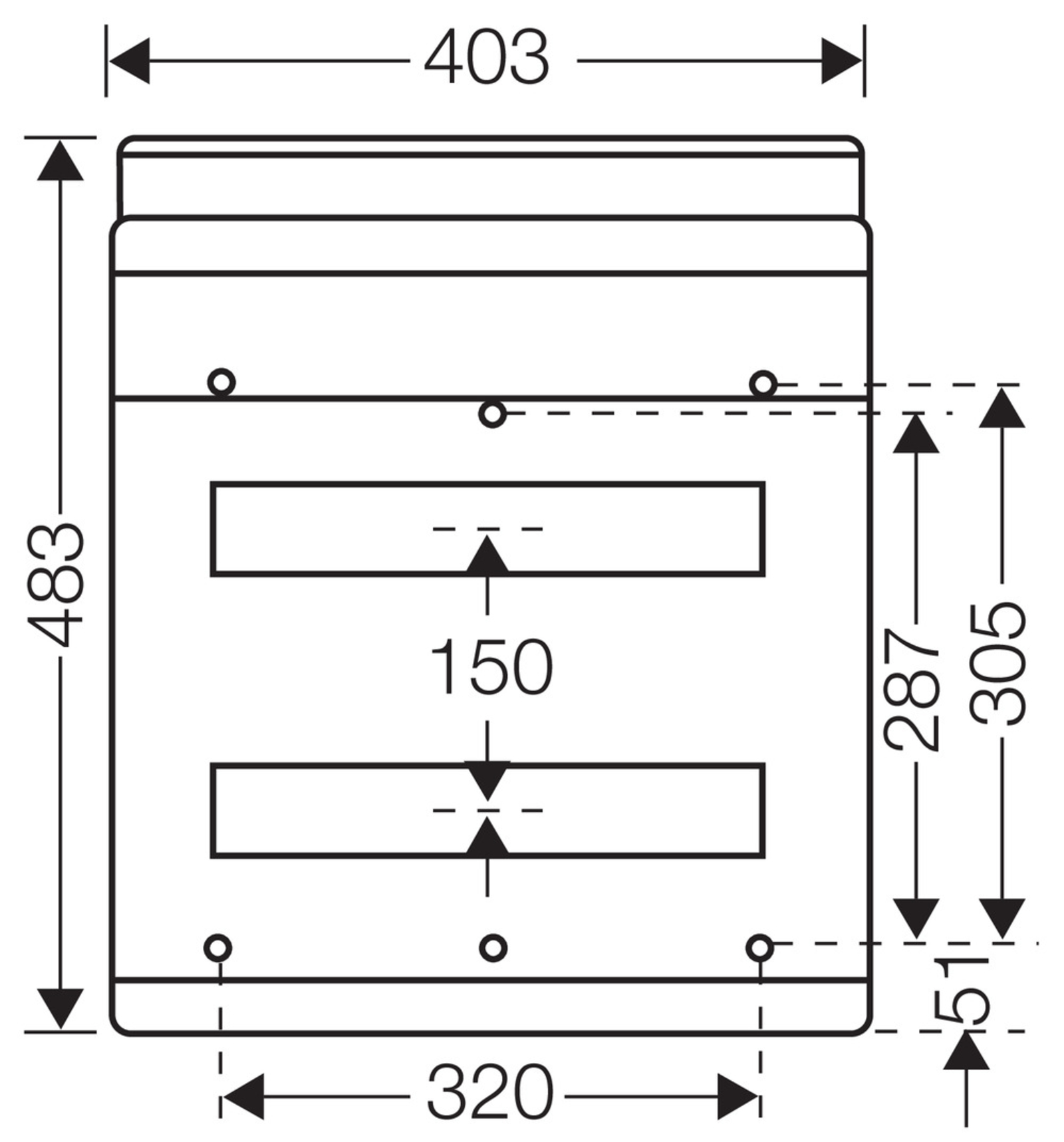
Hensel KV 2536 – Široki format za kompleksne instalacije (36 modula)
Hensel KV 2536 je nadgradni razvodni orman visokih performansi, dizajniran za objekte sa većim brojem strujnih krugova. Sa kapacitetom od 36 modula raspoređenih u dva široka reda (2×18), ovaj orman omogućava izuzetnu preglednost i logičko grupisanje osigurača.
Zahvaljujući IP54 zaštiti i prozirnim vratima, idealan je za radionice, garaže, industrijske pogone, ali i moderne stambene objekte gde se zahteva vrhunska zaštita i estetika.
Moćan sistem povezivanja (FIXCONNECT®)
Glavna snaga ovog modela leži u njegovim klemama. Dizajniran je da podrži kompleksne sisteme:
- Ogroman kapacitet klema: Opremljen je sabirnicama koje nude čak 32 utična (push-in) i 8 vijčanih mesta po polu (PE i N). To eliminiše potrebu za dodatnim rednim stezaljkama.
- Podrška za više FID sklopki: N-sabirnica omogućava kreiranje do 4 odvojena N-potencijala, što je ključno kada u ormanu imate više zaštitnih uređaja diferencijalne struje (FID).
Hibridni uvod kablova i komfor u radu
- Kombinovani uvodi: Poseduje elastične membrane za brzu montažu bez alata (zadržavaju IP54), ali i M20 otvore za izbijanje, ukoliko želite da koristite čvrste uvodnice.
- Prostor za rad: Razmak između DIN šina je 150mm, što ostavlja dovoljno prostora za manipulaciju kablovima i uredno ožičenje.
- Bezbednost: Halogen-free materijal, otporan na udarce i samogasiv (750°C).
Orman sa prozirnim vratima, 2x DIN šine (18 modula širine), FIXCONNECT set klema, trake za obeležavanje, poklopci za neiskorišćene module, čepovi za montažne rupe.
| Proizvođač | Hensel |
| Model | KV 2536 |
| Broj modula | 36 (2 reda x 18) |
| Dimenzije (V x Š x D) | 483 x 403 x 129 mm |
| IP Stepen zaštite | IP54 |
| Kablovski uvodi | 21x Membrane + 8x M20 (izbijanje) |
| Nominalni napon | 400 V AC |
| PE/N Kleme | 32x utičnih + 8x vijčana (po polu) |
| N-potencijali | Do 4 odvojena potencijala |
| Materijal | Polistiren (Halogen Free) |
| Vrsta proizvoda | Nadgradni razvodni orman |
| Model | KV 1518 (6100225) |
| Zemlja porekla | Nemačka |
| Zemlja uvoza | Srbija |
| Proizvođač | Gustav Hensel GmbH & Co. KG |
-
Razvodne kutije
Razvodna kutija DK 5000 G
6.375,65рсд – 21.724,37рсдRaspon cena: od 6.375,65рсд do 21.724,37рсд -
Razvodne kutije
Razvodna kutija DK 0200 B
546,58рсд – 1.526,28рсдRaspon cena: od 546,58рсд do 1.526,28рсд -
AKCIJA!
AVANSNO PLAĆANJERazvodne kutijeRazvodna kutija DK 1000 B
1.241,75рсд – 2.703,81рсдRaspon cena: od 1.241,75рсд do 2.703,81рсд












